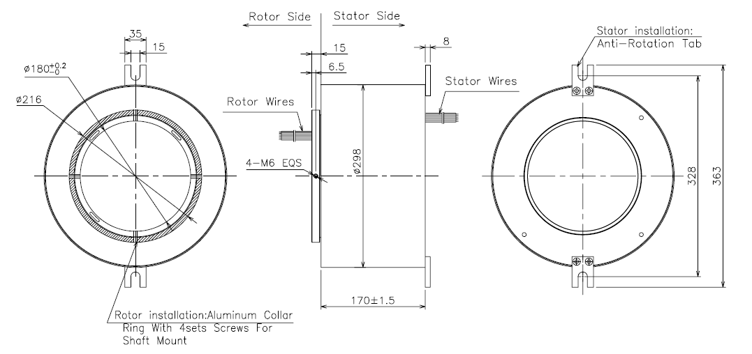
Bague collectrice à trou traversant standard LPT-180, le diamètre intérieur est de 180 mm, le diamètre extérieur est de 298 mm, 6 canaux * 5A, le trou traversant sans obstacle de 180 mm fournit un espace de câblage pour l'installation d'un arbre hydraulique, pneumatique ou coaxial.Contactez-nous












